Модельный ряд
Современные измельчители и решетки-дробилки для канализации: обзор, выбор, применение
Что такое измельчитель канализационный и зачем он нужен
Измельчитель канализационный — это устройство, предназначенное для механической переработки твердых включений в сточных водах. Он обеспечивает надежную работу канализационных систем, предотвращая засоры, поломки насосов и оборудования.
Современные решетки-дробилки широко используются на очистных сооружениях, насосных станциях, в промышленности и коммунальных объектах. Они позволяют эффективно удалять крупные фрагменты мусора, тряпки, пластик, древесину и другие элементы, которые могут привести к поломке оборудования.
Классификация решеток-дробилок и измельчителей для канализации
1. По конструкции:
-
Горизонтальные измельчители — устанавливаются на входе в трубопроводы, имеют компактные размеры.
-
Вертикальные измельчители для канализации — используются при ограниченном пространстве, идеальны для колодцев и шахт.
-
Фланцевые решетки-дробилки — быстро монтируются на трубопровод благодаря стандартным фланцевым соединениям.
2. По количеству фильтрующих барабанов:
-
С одним фильтрующим барабаном — надежные и недорогие, подходят для небольших объемов сточных вод.
-
С двумя фильтрующими барабанами — обеспечивают более высокую степень очистки, применяются в промышленных системах.
3. По типу корпуса и материалов:
-
Литой корпус — обеспечивает максимальную прочность и долговечность.
-
Нержавеющая сталь AISI 304, 316, 316T, 321, 430, 201 — гарантирует устойчивость к агрессивным средам, коррозии и механическим повреждениям.
Преимущества использования измельчителей и решеток-дробилок
-
Надежная защита насосного оборудования
-
Устранение крупных загрязнений без ручной очистки
-
Снижение затрат на обслуживание и ремонт
-
Повышение эффективности очистных сооружений
-
Универсальность и широкий выбор моделей
Популярные модели и конфигурации
Измельчитель канализационный AISI 304, 316, 321, 430
Данные модели отличаются высокой устойчивостью к коррозии, долговечностью и универсальностью применения. Особенно популярны:
-
Измельчитель канализационный 304 сталь — оптимальное соотношение цены и надежности.
-
Измельчитель канализационный AISI 316T — для агрессивных сред с химическими загрязнителями.
-
Измельчитель канализационный 321 сталь — термостойкие варианты, используемые в промышленных сточных водах.
Решетка-дробилка с автоматикой и реверсом
Решетки-дробилки, оснащённые системами автоматики, самостоятельно регулируют скорость, мощность и направление движения ножей. Функция реверса позволяет измельчителю избавиться от застрявших предметов без остановки работы.
Решетка измельчитель с одним или двумя мотор-редукторами
Такие модели обеспечивают более стабильную работу и повышенную производительность. Особенно ценятся в больших канализационных узлах, где надежность выходит на первый план.
Как выбрать лучший измельчитель для канализации
При выборе оборудования следует учитывать:
-
Объем и характер сточных вод
-
Температурный режим
-
Содержание твердых включений
-
Размеры и конфигурацию трубопровода
-
Необходимость в автоматике и реверсе
-
Материал изготовления — нержавеющая сталь AISI с соответствующим номером
Производители и поставщики: где купить измельчитель канализационный
Рынок предлагает продукцию как отечественных, так и зарубежных производителей. Наиболее надежные поставщики предлагают:
-
Гарантию от 12 месяцев
-
Пуско-наладочные работы
-
Сервисное обслуживание
-
Поставка запчастей и комплектующих
Покупка возможна напрямую с завода, что снижает стоимость и обеспечивает быструю логистику. Большинство заводов предлагают решетки-дробилки из нержавеющей стали AISI 304, 316, 321, 430, а также модели фланцевые, вертикальные, с литым корпусом и автоматикой.
Измельчители канализационные своими руками: возможно ли?
Некоторые пользователи интересуются изготовлением измельчителей для канализации своими руками. Однако из-за сложной конструкции, точных зазоров и требований к прочности, это крайне не рекомендуется. Самодельные устройства быстро выходят из строя и не обеспечивают необходимую безопасность и эффективность.
Топ 10 лучших измельчителей для канализации
На основании отзывов и технических характеристик, в топ 10 входят:
-
Измельчитель канализационный AISI 316
-
Решетка-дробилка с двумя фильтрующими барабанами
-
Дробилка для канализации с литым корпусом
-
Решетка-дробилка с автоматикой и реверсом
-
Измельчитель канализационный вертикальный
-
Дробилка канализационная AISI 304
-
Решетка-дробилка фланцевая
-
Измельчитель для канализации с одним мотор-редуктором
-
Решетка измельчитель AISI 430
-
Дробилка канализационная 316T сталь
Заключение
Выбор и установка качественного измельчителя для канализации — это залог стабильной работы всей системы водоотведения. Надежная решетка-дробилка из нержавеющей стали, оснащенная мотор-редуктором, реверсом и автоматикой, — это инвестиция в безопасность, долговечность и эффективность.
Если вы ищете лучшие решения для сточных вод, то вам стоит обратить внимание на измельчители канализационные из AISI 316, 304, 321, с различной комплектацией, от одного барабана до двух, с литым корпусом, горизонтальным или вертикальным расположением, а также фланцевым подключением.
Для подбора оборудования для ваших нужд просим вас заполнить Опросный лист и направить нам на почту: info@vk-t.ru
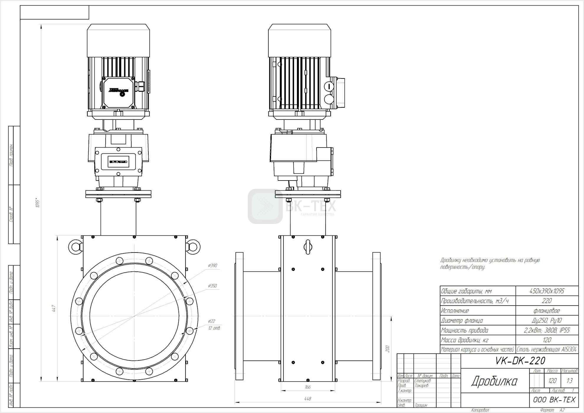
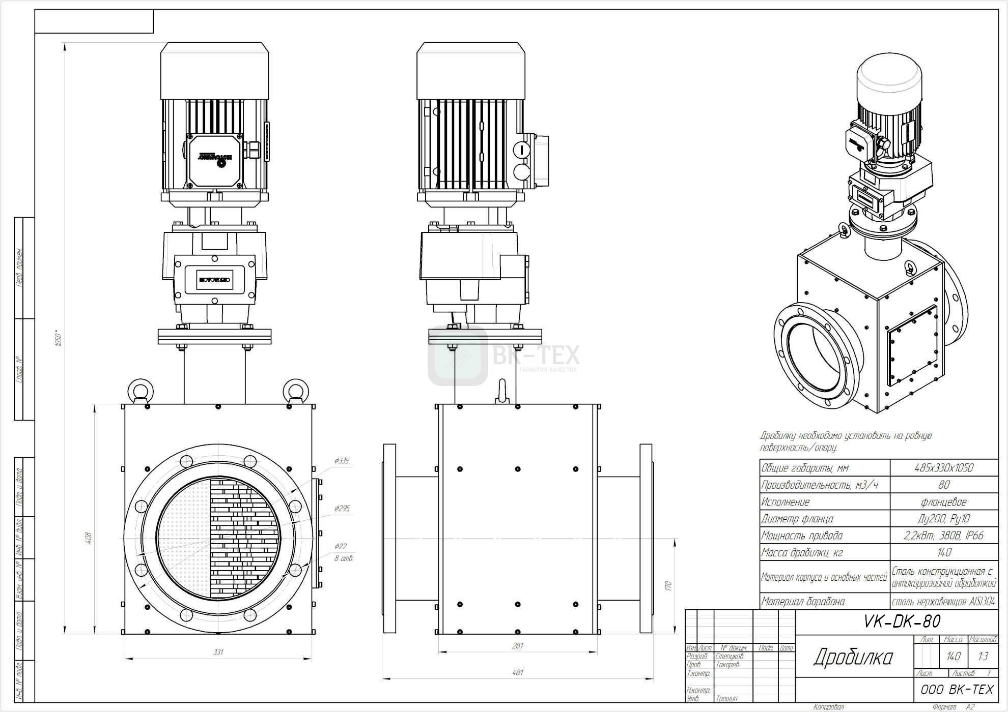
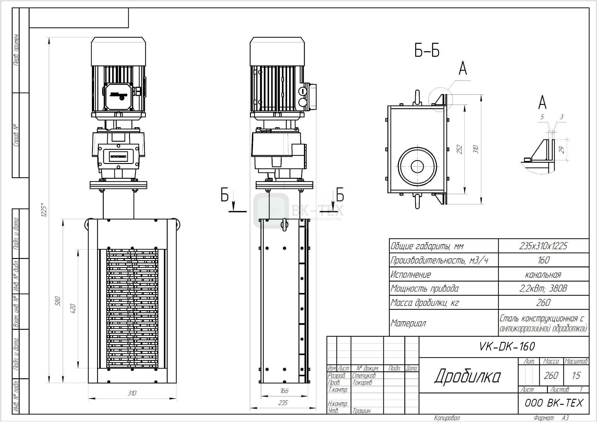
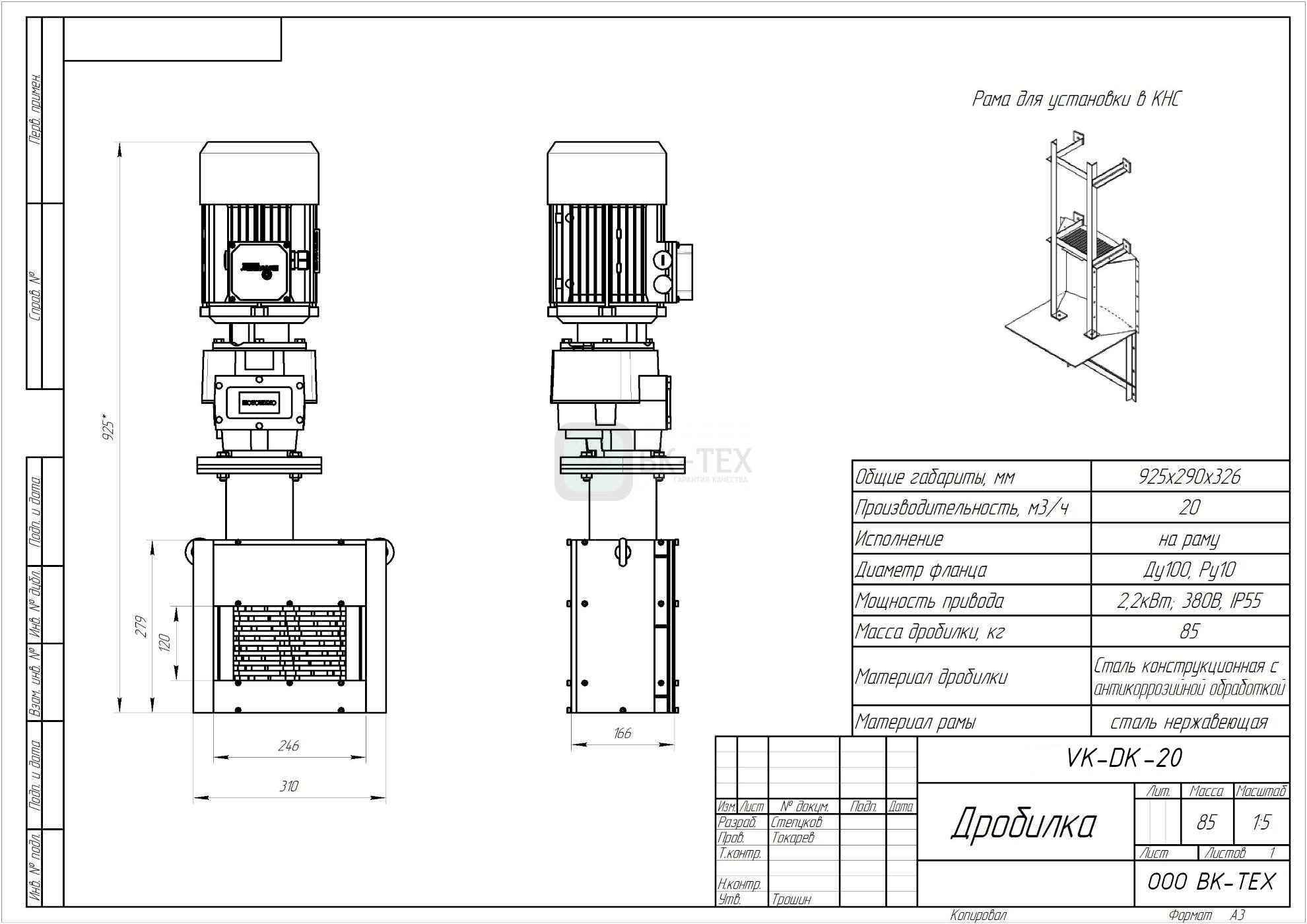
Дробилка канализационная
Применяется: для измельчения твердых включений в канализационных стоках до фракции, не представляющей угрозы технологическому оборудованию, (насосные агрегаты, мешалки и т.д.). Дробилки устанавливаются в канал или на канализационную трубу, в начало очистных сооружений для измельчения поступающего входного потока с крупным мусором (куски ткани, салфеток, твердых включений).
Дополнительно поставляется: Ручная решетка
Материалы изготовления: Нержавеющая сталь (AISI 304, 316, 321), Конструкционная сталь с антикоррозийным покрытием, Чугун
Сроки поставки: 40-75 рабочих дней в зависимости от загруженности производства.










